MV-CH650-90TM-F-NF
工业黑白面阵相机
设备特点:
1.6500万像素分辨率,像元尺寸3.2 µm
2.支持自动或手动调节曝光时间、Gamma校正、LUT等
3.万兆网口接口,兼容千兆以太网,无中继情况下,[敏感词]传输距离可达100m
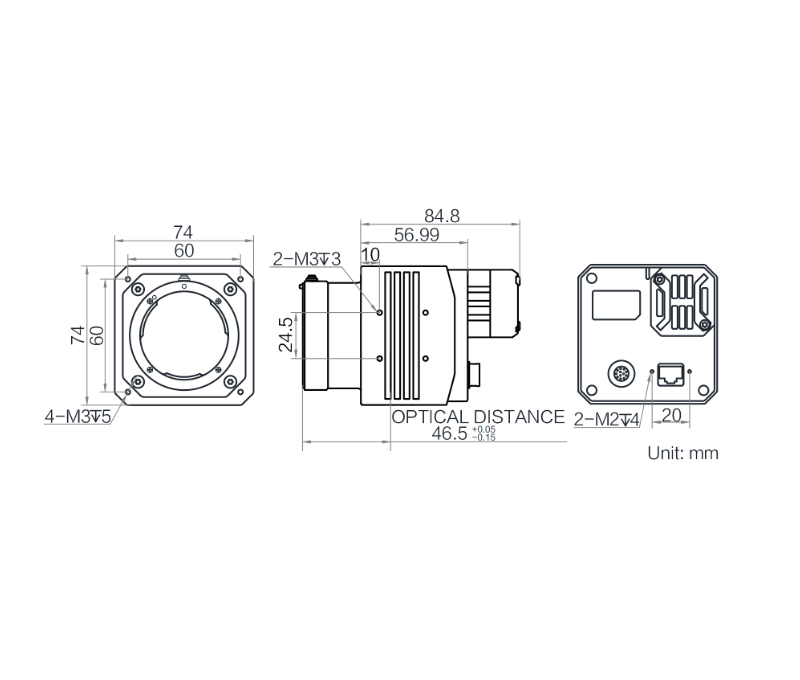
4.安装方便灵活,相机上下前面板均有安装孔,可根据需求自行选择
5.兼容GigE Vision V2.0协议和GenlCam标准,无缝接入第三方软件平台
MV-CH650-90TM高端型面阵相机,搭配GMAX3265传感器,图像质量优异。
通过万兆以太网接口,快速实时传输非压缩数据,满分辨率下帧率可达17.2fps。
外形尺寸: